一、概述
概述及用途:
ZLDL-HPD-多功能谐波保护器主要是基于电力网络中的电压畸变对于用户设备的危害而设计制造的,由于功率的转换而导致配电系统污染的问题早在20 世纪60 年代就被许多专家意识到,如:医疗设备、中频炉、点焊机、照明控制系统、计算机、电视机、电动机调速设备、不间断电源、数控机床、整流器等等,这些非线性用电设备产生的谐波,它可导致配电系统本身或联接在该系统上的设备故障。公司生产的谐波保护器,它能有效的将谐波消除在发生源,自动消除以及抑制对用电设备产生的高次谐波和高频噪声、脉冲尖峰、电涌等干扰,能够净化电源、保护用电设备和功率因数补偿设备、防止保护装置的误跳闸,从而保护用电设备正常、安全、高效地运行。
优势:消除或抑制谐波通常的做法是加装“有源滤波器”,但有源滤波器成本相对较高,不适用于配电支路的谐波消除,基于这一点,公司引用技术结合多年的实践经验,成功开发了多功能谐波保护器,该谐波保护器采用了超微晶合金材料,保障器件持久的可靠性能,具有体积小、外观精美、使用寿命长、价格低等优势。多功能谐波保护器本身几乎不耗电,而且采用谐波保护减少了用电设备的故障率和机器误操作,全面克服了由于谐波污染引起的设备误动作。具有正弦波跟踪能力和限压限幅功能,消解部分内部浪涌,抑制高次谐波,降低能耗,洁净用电环境,提高用电设备寿命与安全。
二、命名规则

三、技术参数

四、高次谐波的主要危害
1.使设备(如PLC、音响、医疗设备、继电保护、测量仪表、电力电子器件、计算机系统、精密仪器等)运转不正常或不能正确操作;
2.产生谐波损耗,使用电设备效率降低;
3.加速电气设备绝缘老化,使其容易击穿,从而缩短它们的使用寿命;
4.引起串联谐振及并联谐振,放大谐波,造成危险的过电压或过电流;
5.干扰通讯系统,降低信号的传输质量,破坏信号的正确传递,甚至损坏通信设备。
五、产品特点及功能
产品特点
1.采用超微晶体合金材料的特别电路;
2.对高次谐波、高频噪声、脉冲尖峰、电涌等干扰有抑制和吸收作用;
3.随时跟踪电压、电流波形,矫正因谐波影响而产生畸变的电压、电流波形;
4.减少了用电设备的故障率和机器误操作,会面克服了由于谐波污染引起的高频干扰;
5.无源并联在电路中,装置本身几乎不耗电,具有超高的经济效益;
6.结构设计合理,接线简单,安装调试方便。
功能
1. ZLDL-HPD -1000 专门针对控制设备提供谐波保护;
2. ZLDL-HPD -1000 大大减少计算机、PLC、DCS 等设备的死机;
3. ZLDL-HPD -1000 提高计算机、PLC、DCS 通信设备的寿命;
4.减少互联网等通信网络阻塞;
5.减少计算机、PLC、DCS、EIB 等设备因谐波运行紊乱的问题;
6.保护功率因数补偿设备;
7.防止保护装置的误跳闸。
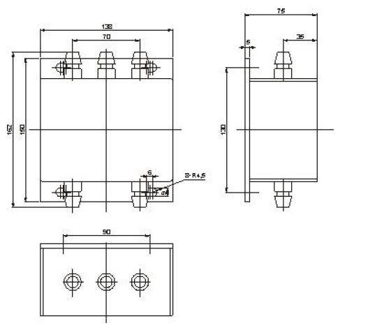
产品尺寸

接线图

六、主要应用领域及应用范围
应用领域
1.计算机电子设备、PLC、DCS、电器等芯片死机,寿命大幅缩水;
2.电源净化、可以消除谐波、尖峰杂波、电路噪音和静电等干扰;
3.屏幕频闪;
4.灯光频闪;
5.数据网络堵塞;
6.功率因数补偿设备所产生的问题;
7.特殊(长)线路或投切重负载时的问题;
8.保护装置的误跳闸;
9.由于电质量恶劣导致用电装置电能利用效率降低,用电量增加,造成不必要的电费支出;
10.在一些谐波较小,但要求很高的场合(谐波敏感型或小功率设备),ZLDL-HPD-1000 也可单独使用。
应用范围
1.机场:主控室、计算机房、广播系统、EIB 灯光调光系统等;
2.医院:ICU(重症加强护理病房)、MRI(磁共振成像)、手术室、医学成像室、放疗科等;
3.剧场/体育馆:解决由于谐波造成的EIB 调光设备及其它控制设备的损坏;
4.学校:精密实验室、机房、网络中心;
5.研究所:精密仪器、机房、及其它高精密设备集中区;
6.大型商场:解决由于节能灯大量应用造成的谐波问题
7.银行:计算中心、营业部计算机、安防系统;
8.税务/工商:大型计算机中心等;
9.电信机房:移动基站;
10.工厂:生产线的PLC、计算机控制设备、高精度车床、PCS系统、计量称重等系统;
七、ZLDL-HPD-1000 的安装
ZLDL-HPD-1000 的安装过程必须由专业电气工作人员进行。安装时应对每个接头进行检查以其牢固不得松动,如果接头不牢固,会使该装置不能正常运行。安装时,工作人员将可能要带电工作。当带点安装时,要一直戴好低压手套,应特别小心不能让任何供电电线接触到与供电相连的端子意外的任何东西。应特别小心不使工具在供电的电线和接地之间(如金属、零线或白色线、接地或绿色线或你自己接通。)如果供电电线与接地线接通,则电线将起弧,并产生爆炸作用。它会损坏设备和/或伤害安装人员和/或烧毁变压器内熔丝。请切记戴好低压手套,特别小心,安全的安装取决于安装人员的认真安装。电线连接:带上低压手套,首先将双色线(绿色和黄色)接到接地排上,接着将白色线接到零线连接排上,然后将三根黑色线分别接到空气开关一边的三个接线孔中,拧紧螺丝。非常小心地从空气开关另一边的三个接线孔中引出三根黑色导线(1×64/0.2)分别连接到火(相)线A 相、B 相、C 相的接线排上。千万不得将黑色线接于
三角型系统的高压引线上。
八、应用案例
1、ZLDL-HPD-1000 全面谐波保护在医院的应用
由于高次谐波的存在,操作人员在工作中经常遇到这些医疗仪器和设备出现故障,轻则出现数据差错、图像模糊、信息丢失,工作受到干扰。重则硬件突然损坏,软件遭到冲击,仪器设备无法继续正常工作。特别是检测人体生物电信号的仪器设备,如心电图机、脑电图机、心电监护仪、超声诊断仪等直接接触人体的仪器设备,由于信号非常的微弱,如果受到干扰,就会在检测结果如波形、图形、图像上叠加一种类似于某些病变的畸变(谐波)造成误诊,同时还会引起微电击,严重时还有生命危险。因此在使用这些医疗仪器设备时,应采取谐波保护措施,仪器设备的安全。
技术的ZLDL-HPD -1000(Harmonic Protect iveDevice)谐波保护装置能吸收各种频率各种能量的谐波干扰,将谐波消除在发生
源,自动消除对用电设备产生的随机高次谐波和高频噪声、脉冲尖峰、电涌等干扰。
ZLDL-HPD -1000 应用范围
1) 手术室:手术室中有电刀,除颤器、心电图机等,谐波污染会造成心电图机输出数据改变和计数器软件故障等。
2) ICU(重症监护病房):ICU 病房在给病人提供支持治疗时,必须在病人附近同时安放和使用许多医疗设备,如心电监护仪、多功能呼吸机、心电图机、起搏器等。谐波污染严重而且复杂,更应采取谐波保护措施。针对特殊设备单独配置设备。
3) 放疗科:放疗科中移动式放射剂量测量系统(如速率计、校准室等)若遭受高次谐波干扰,它们内嵌的电子元件可能记录噪声并改变数据输出。针对仪器配置设备。
4) 医学成像室:计数仪、移动式X 射线机等易受高次谐波干扰而改变数据输出。
2、全面谐波保护在智能建筑的应用
为适应现代社会信息化与经济全球化的需要以及随着计算机技术、通信技术和控制技术的日新月异,智能建筑中使用了大量的现代化用电设备和装置如通讯系统、计算机、网络控制设备、变频空调、各种数码办公设备、灯光调控、消防系统、监控系统等。恶劣的谐波环境对保证系统和设备的安全正常运行造成了较大的威胁。电子计算机、微处理器以及其它电子仪器设备普遍存在着绝缘强度低、对谐波环境要求高、过电压耐受能力差的弱点。高次谐波污染往往使得这些高灵敏的电子系统在运行时,经常出现程序运行错误、数据错误、时间错误、死机、无故重新启动,甚至造成用电设备的永久性损坏,给人们的工作和日常生活造成了巨大损失。
在消除或抑制谐波危害方面,智能建筑系统以往只是采取一些防范措施,如根据负载确定电力变压器额定容量时,考虑谐波畸变而留有余量;为易受干扰设备加装线路滤波器等,无法从根本上消除谐波危害。ZLDL-HPD-1000(Harmonic Protective Device)谐波保护装置能吸收各种频率各种能量的谐波干扰,将谐波消除在发生源,自动消除对用电设备产生的随机高次谐波和高频噪声、脉冲尖峰、电涌等干扰。
智能建筑中ZLDL-HPD-1000 谐波保护装置的应用范围
智能建筑一般为一级或二级负荷,由电业供给两回高压线路,ZLDL-HPD-1000 谐波保护器柜一般设在变电所低压开关柜列的末端,每回路宜各配置一套ZLDL-HPD-1000 谐波保护器柜,一般智能建筑低压主接线为单母线分两段接线。在该情况下,ZLDL-HPD-1000 柜应设在两段母线的低压开关柜柜列末端,采样点与注入点参见典型设计方案图。
3、全面谐波保护在电视台/剧场/会堂的应用
电视台/剧场/会堂设备造成的谐波污染:目前,高科技的产品使人们尽情地享受着各种视觉、听觉所给予的乐趣。然而,由此而带来的照明光污染、电磁辐射污染、高次谐波污染等对人体有害的“声、光、电病毒” ,往往被人们所忽视。民用建筑电气设备中存在着众多的非线性特性负载高次谐波源,如:荧光灯、气体放电灯、计算机、UPS 装置、电子调速装备、软起动设备等。尤其在剧场电气设备中,舞台灯光的可控硅调光装置引起的电流波形畸变,使高次谐波问题尤为严重。高次谐波污染不仅常常引发供电设施以及用电设备的故障,而且会造成电能的浪费。电视台/剧场/会堂照明光源大多为荧光灯、金属卤化物灯等气体放电类电光源,这些光源和舞台电脑调光灯等属于非线性电气设备,因此在运行时会产生高次谐波,造成频闪、电缆发热,从而对通信、有线电视等弱电回路产生杂音;对精密的数字控制系统产生干扰,甚至产生故障。因此需要采取相应的高次谐波保护措施。
目前剧场使用的可控硅调光装置,多采用移相调压,会引起电流波形畸变,高次谐波系列分量增大,通过调光配电线路构成对可控硅触发电路的相互干扰和音视频等系统的干扰。针对电视台/剧场/会堂存在的谐波问题,公司建议方案如下:
1) 采用电力侧谐波与用户侧谐波同时治理的方案。
由于电视台/剧场/会堂特殊情况,谐波分布比较广,而且均造成了一定的危害:
——电力侧谐波造成电容器的多次烧毁
——用户侧谐波造成iBus 等精密控制设备的多次烧毁
所以必须同时治理电力侧谐波与用户侧谐波。
2) 采用靠近谐波源的方式。
3) 根据在国外的经验,iBus 等精密控制设备的烧毁说明用户侧谐波较为严重,所以在重要的设备处加强谐波保护。
电视台/剧场/会堂中ZLDL-HPD-1000 谐波保护装置的应用范围
电视台/剧场/会堂一般为一级或二级负荷,由电业供给两回高压线路,ZLDL-HPD-1000 谐波保护器柜一般设在变电所低压开关柜列
末端,每回路宜各配置一套ZLDL-HPD-1000 谐波保护器柜,一般电视台/剧场/会堂低压主接线为单母线分两段接线,在该情况下,
ZLDL-HPD-1000 柜应设在两段母线的低压开关柜柜列末端,采样点与注入点参见典型设计方案图。
4、全面谐波保护在工业企业的应用
在当今的工业企业中,为了提高生产率,采用了大量的电动机设备和智能控制设备。例如变压器、电动机、变频器、PLC 控制器、整流器、交直流换流设备和电子电压调整设备等等。这些设备及控制器的选用,大大提高了工业的生产率,节约了成本,但是它们同样也是谐波产生的首要来源,而且其本身对电能质量的要求也很高。
由于高次谐波的存在,工厂里经常会遇到如下问题:
1) 对变压器的影响:谐波电压可使变压器的磁滞及涡流损耗增加,使绝缘材料承受的电气应力增大,而谐波电流使变压器的铜耗增加,这种危害对换流变压尤为严重,因为交流滤波器通常装在交流侧,谐波电流仍通过换流变压器,滤波器对它不起作用。
2) 对电容器和电缆的影响:在谐波电压作用下,使电容器产生额外的功率损耗。电容器对供电系统其它部分产生串联、并联谐振,可能发生危险的过电压及过电流,这往往引起电容器熔丝熔断或使电容器损坏。在谐波电压作用下,电缆的介质损耗也增加。使电力电缆绝缘损坏,电缆发生单相接地故障的次数明显增加。
3) 对断路器运行的影响:谐波含量较多的电流将使断路器的分断能力降低。当存在严重的谐波电流时,某些断路器的磁环线圈不能正常工作。
4) 对输电线的影响:当谐波电流流过输电线(电缆)时,导线的直径愈大,因集肤效应而使谐波频率下的电阻增大,谐波产生的附加损耗也愈大,同时引起无功功率增大,功率因数下降。
5) 严重干扰控制设备:在畸变电源供线性负荷时,控制设备的运行会受到干扰,通常表现为死机、误动、重启,带来巨大的经济损失。谐波保护装置能吸收各种频率各种能量的谐波干扰,将谐波消除在发生源,自动消除对用电设备产生的随机高次谐波和高频噪声、脉冲尖峰、电涌等干扰。
ZLDL-HPD-1000 应用范围
1) 智能控制系统如PLC、DCS 等的电源处:保证控制电源平稳,控制系统稳定运行,避免死机及误动作等情况。
2) 重要的PLC 控制器电源旁:PLC 等控制设备受到干扰会导致误动、死机、寿命缩短及被控设备抖动等现象。根据设备的重要情况,重要的设备还可以再就近配置设备。建议选型方案(典型设计方案)

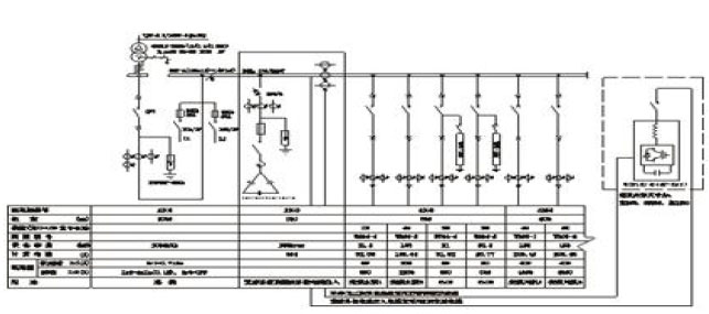
某工程配置ZLDL-APF 及ZLDL-HPD-1000 的低压配电系统图(局部)
说明:
1.本图系采用ZLDL-APF ,ZLDL-HPD-1000 构成两级保护体系。其中ZLDL-APF 滤除电力侧谐波,ZLDL-HPD-1000 滤除用户侧谐波;
2.本方案为推荐方案;
3.图中谐波保护器ZLDL-HPD-1000 用于PLC 等重要控制设备的谐波保护,本身不带电源开关,建议与被保护设备同柜布置;
4.在有大量精密仪器的现场,如CT 机,心电图等部门,建议单独装配ZLDL-HPD-1000;
5.大楼及商业建筑可在每一层的配电柜中选用一台或多台ZLDL-HPD-1000 谐波保护器。
理想的供电应是单一恒定频率与规定幅值的稳定电压。但随着各种多功能用电设备的不断更新,这些非线性电气设备使电网电压、电流波形实际上是不同程度畸变的非正弦波。非正弦波含有会直接对用户设备及人体产生危害的高次谐波。
由于电子计算机、微处理器以及其他电子仪器设备普遍存在对供电电源的谐波质量要求很高的特点,由于高次谐波的存在,使得这些高灵敏的电子系统中运行时,经常出现程序运行错误、数据错误、时间错误、死机、无故重新启动甚至造成用电设备永久性损坏,给人们的工作和日常生活造成了巨大损失。一般设备在“瞬变”发生频次20万次/小时状态下工作,电子设备寿命会缩短40%,电机设备寿命会缩短30%,照明设备寿命会缩短35%~45%0据统计,电子设备的故障有75%是由于瞬变和浪涌造成的o基本上每当一个电感性负荷被切断时,就会有比正常电压的峰值高很多倍的用户侧高次谐波产生。
ZLDL-HPD-1000多功能谐波保护器正是针对用户侧高次谐波(2kHz-lOMHz)的污染,为用电设备提供谐波保护,改善越来越恶劣的电能质量的设备。
ZLDL-HPD-1000多功能谐波保护器采用了超微晶合金材料的特别电路,对用电设备产生的随即用户侧高次谐波和高频噪声、尖峰脉冲等干扰具有抑制和吸收作用;随时跟踪电源波形,瞬时滤除电源中的尖峰、用户侧谐波、杂波,矫正因谐波影响而产生畸变的电源波形;对噪声进行消化,改善电源波形,使电网电源波形变得光滑清洁,即提高了电网质量,又保证了仪器设备的正常运行。
ZLDL-HPD-1000符合IEC61000-4-5.IEC60939-1-2等标准。
高次谐波的主要危害
(1)使设备(如PLC、音响、医疗设备、继电保护、测量仪表、电力电子器件、计算机 系统、精密仪器等)运转不正常或不能正确操作;
(2)产生谐波损耗,使用电设备效率降低;
(3)加速电气设备绝缘老化,使其容易击穿,从而缩短它们的使用寿命;
(4)引起串联谐振及并联谐振,放大谐波,造成危险的过电压或过电流;
(5)干扰通讯系统,降低信号的传输质量,破坏信号的正确传递,甚至损坏通信设备。
YXDQHPD谐波保护器的作用
ZLDL-HPD-1000多功能谐波保护器在消除了谐波的同时,减少了导体的集肤效应,避免了导体的温度升高,使变压器的铜损、铁损大为降低,减少了不必要的能耗。同时,ZLDL-HPD-1000多功能谐波保护器还消除了对用电设备破坏性的用户侧谐波、尖峰信号等杂波,从而使各相电路中的电流、电压趋于平衡,相位差保持一致,充分发挥了各类设备的设计功能,以达到不浪费电能的目的。
ZLDL-HPD-1000多功能谐波保护器采用高科技产品超微晶合金材料,即可以降低由于仪器设备产生用户侧高频谐波和高频噪声防止用电设备产生的污染进入到电网中,同时又能防止电网中高频率谐波、和高频噪声、用户侧谐波、尖峰瞬变等污染进入到仪器设备,干扰仪器设备的运行。在2kHz—lOMHz频段内有较好的滤波吸收效果,达到提高电能质量的效果。
采用ZLDL-HPD-1000多功能谐波保护器解决了设备遇到的众多问题
◆自动保护用电设备
由于设备自身产生的接地电流在设备和真实地之间会引发一个电压降,当噪声频率比较高的时候,很容易噪声计算机电子设备、PLC、电机电器等电脑死机。
ZLDL-HPD-1000能自动消除具有破坏性的高次谐波,高频噪声、用户侧谐波、尖峰瞬变等.用电设备的使用寿命。
◆净化电源
ZLDL-HPD-1000多功能谐波保护器具有很强的抑制和消除能力,可消除99%的因各种谐波引起的电压、电流的畸变,防止谐波引发的计算机屏幕频闪,以及由于开关、短路、负载变化引起的灯光频闪。
◆提高IT设备谐波环境,防止数据网络堵塞
IT设备是精密性的设备,对各种频率的干扰十分敏感,有高次谐波引起的电压畸变将严重影响IT设备质量,使通信线路比特错误率大大提高,甚至可以高到使整个网络瘫痪。
◆保护功率因数补偿设备
高次谐波频率可能和杂散的电网电感及功率因数补偿(PFC)设备组合的谐波频率形成并联谐振回路,谐振电路引起的谐波放大使电压和电流波形畸变更为严重,从而导致设备过早 出现故障。ZLDL-HPD-1000消除了谐波污染,功率因数补偿设备的使用寿命
◆防止保护装置的误跳闸
谐波电流会导致断路器误跳闸或是在该跳闸的时候根本不跳。
ZLDL-HPD-1000多功能谐波保护器的优良特性
◆应用频段宽
ZLDL-HPD-1000能吸收各种频率各种能量的谐波干扰。自动消除对用电设备产生的随机高次谐波和高频噪声、脉冲尖峰、电涌等干扰。
◆高可靠性
ZLDL-HPD-1000无源并联在电路中,导轨安装,将谐波消除在发生源o随时跟踪电压波形,矫正因谐波影响而产生畸变的电压波形。
◆保障设备运行
ZLDL-HPD-1000本身不耗电,而且采用谐波保护减少了仪器设备的故障率和机器误操作,全面克服了由于谐波污染导致用电装置电能利用效率降低,故障率高的问题,保障了设备的安全运行。
◆经久耐用,安全可靠
ZLDL-HPD-1000采用超微晶合金材料与特别电路,航空铝材和工程塑料一体的外壳,接线端子进行了专门设计的耐高温处理,无需日常维护。