深圳大圈品茶工作室,想过夜联系电话,海口约茶高端

浙轮电力主营APF有源电力滤波装置、电容器系列、电抗器系列、智能复合开关和无功补偿控制器等产品。
ZLDL-智能复合开关
ZLDL-JTFK智能动态无触点复合开关
所属分类:ZLDL-智能复合开关

 产品概述:
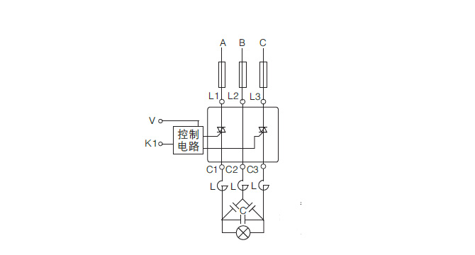
ZLDL-JTFK系列容性快速无触点开关是一种能够对电力并联电容器进行快速投切的电子型功率器件,其电气结构主要由大功率反并联晶闸管模块、隔离电路、触发电路、同步电路、保护电路及驱动电路组成,并配有控制开关导通或截止的接线端子,控制逻辑电压0V(截止)、12V(导通).本开关具有安装简单、维护方便、响应速度快、投切无涌流、工作无噪音、运行稳定可靠等特点.是无功功率动态补偿装置用投切电容器组的理想器件.
功能特点:
1、投切无涌流、无过压、无火花产生.
2、具有过温度保护.
3、输入信号与开关光电隔离,高EMC保护措施,抗干扰能力强.
4、可直接与本公司动态无功补偿控制器配套使用.
5、投切速度快,允许频繁动作.
6、安装、接线、维护简单方便.
7、工作无噪音.
接线示意图:


 应用场合:
JTFK系列容性无触点开关专为0.4KV电力电容器动态快速补偿设计的投切开关.主要适用于冲击性负荷,需要快速投切电容器的用电负荷现场,比如:电焊机、轧钢、港口行吊、电梯、变频炉等负荷快速变化现场。


主站蜘蛛池模板: SHOW| 江北区| 唐海县| 鱼台县| 略阳县| 察隅县| 清流县| 西乌珠穆沁旗| 沙坪坝区| 德化县| 上高县| 寿光市| 庐江县| 壶关县| 太和县| 和龙市| 荣成市| 大丰市| 华阴市| 漳浦县| 彭水| 荔浦县| 武邑县| 六安市| 红安县| 易门县| 宁乡县| 潢川县| 金华市| 曲周县| 交城县| 和林格尔县| 清镇市| 安达市| 罗甸县| 宣化县| 寿宁县| 通江县| 中牟县| 汝南县| 延津县|